Size: a a a

Радиолюбители & Электронщики

2021 June 23

ЕЛ

Евгений Лазуренко... in Радиолюбители & Электронщики
Сама плата будет стоить 50 тыс сум! Плюс 10 тыс сум доставка
источник

PF

Pavlo Frost in Радиолюбители & Электронщики
Вот такой набор, территориально Украина, Винница
источник

PF

Pavlo Frost in Радиолюбители & Электронщики
За все 3000грн
источник

ЕЛ

Евгений Лазуренко... in Радиолюбители & Электронщики
Здесь Узбекистан. Группа с Узбекистана!
источник

SJ

Sherzod Jurakobilov in Радиолюбители & Электронщики
Я слышал о проверке на исправность транзисторов но  о проверки мощности впервые слышу . Во общето эти транзистор тестеры ни к чему. В 90% случаях хватит и мультиметра.
источник

SK

Shoxrux Kh in Радиолюбители & Электронщики
В основном. Но есть и из других стран.
источник

ЕЛ

Евгений Лазуренко... in Радиолюбители & Электронщики
.... Тут вы не правы
источник

PF

Pavlo Frost in Радиолюбители & Электронщики
Тогда извините, показалось что все снг
источник

ЕЛ

Евгений Лазуренко... in Радиолюбители & Электронщики
Цена так у вас норм... Где то 110 $ за все
источник

SJ

Sherzod Jurakobilov in Радиолюбители & Электронщики
В чем именно не я прав?
источник

Q

Qahramon in Радиолюбители & Электронщики
вы сами сделаете это или заводе
источник

ЕЛ

Евгений Лазуренко... in Радиолюбители & Электронщики
Сам... Методом лут
источник

Q

Qahramon in Радиолюбители & Электронщики
тогда сделайте
источник

ЕЛ

Евгений Лазуренко... in Радиолюбители & Электронщики
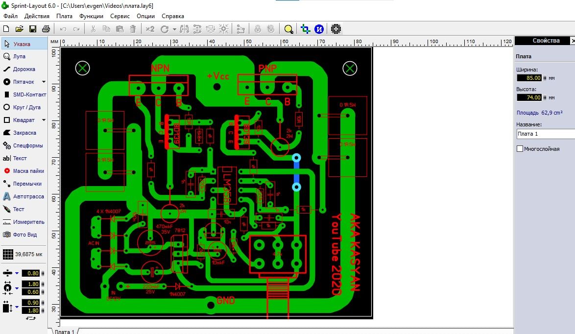
Образец
источник

ЕЛ

Евгений Лазуренко... in Радиолюбители & Электронщики
источник

ЕЛ

Евгений Лазуренко... in Радиолюбители & Электронщики
В личку
источник

M

Mr. Kadirov in Радиолюбители & Электронщики
Никак руки не доходят сделать ПП ))
источник

ИИ

Ильнур Иксанов... in Радиолюбители & Электронщики
Просто видимо необходимости в этом нет
источник

ЕЛ

Евгений Лазуренко... in Радиолюбители & Электронщики
Это я не себе делал... Под заказ... Помоему проект Алекса  Гайвера
источник

M

Mr. Kadirov in Радиолюбители & Электронщики
Видимо да)
источник